|
RN無外圈系列
收藏
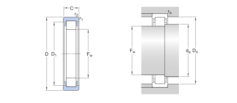
滾動體與套圈擋邊摩擦小,適于高速旋轉。根據套圈有無擋邊,可以分有NU、NJ、NUP、N、NF等單列圓柱滾子軸承,及NNU、NN等雙列圓柱滾子軸承。該軸承是內圈、外圈可分離的結構。內圈或外圈無擋邊的圓柱滾子軸承,其內圈和外圈可以向軸向作相對移動,所以可以作為自由端軸承使用。在內圈和外圈的某一側有雙擋邊,另一側的套圈有單個擋邊的圓柱滾子軸承,可以承受一定程度的一個方向軸向負荷。一般使用鋼板沖壓保持架,或銅合金車制實體保持架。但也有一部分使用聚酰胺成形保持架。 圓柱滾子軸承特點:滾子與滾道為線接觸或修下線接觸,徑向承載能力大,適用于承受重負荷與沖擊負荷;摩擦系數小,適合高速,極限轉速接近深溝球軸承;N型及NU型可軸向移動,能適應因熱膨脹或安裝誤差引起的軸與外殼相對位置的變化,可作自由端支承使用;對軸或座孔的加工要求較高,軸承安裝后外圈軸線相對偏斜要嚴加控制,以免造成接觸應力集中;內圈或外圈可分離,便于安裝和拆卸。 圓柱滾子與滾道呈線接觸,徑向載荷能力大。既適用于承受重載荷與沖擊載荷,也適用于高速旋轉。圓柱滾子軸承滾道及滾動體呈幾何形狀。經改進設計后,具有較高的承載能力,擋邊和滾子端面的新型結構設計,不僅提高了軸承的軸向承載能力,同時改善了滾子端面與擋邊接觸區域的潤滑條件,提高了軸承的使用性能。 主要用于大中型電動機、機車車輛、機床主軸、內燃機、發電機、燃氣渦輪機、減速箱、軋鋼機、振動篩以及起重運輸機械等。 |

