|
6400系列深溝球軸承
收藏
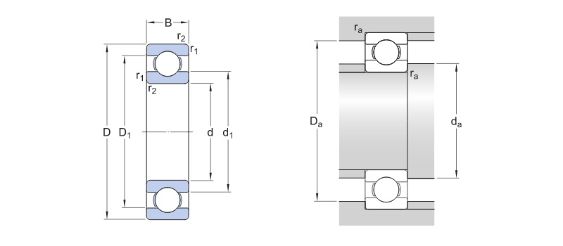
深溝球是滾動軸承中較為普通的一種類型,基本型的深溝球軸承由一個外圈,一個內圈、一組鋼球和一組保持架構成。 深溝球軸承類型有單列和雙列兩種,深溝球結構還分密封和開式兩種結構,開式是指軸承不帶密封結構,密封型深溝球分為防塵密封和防油密封,防塵密封蓋材料為鋼板沖壓,只起到簡單的防止灰塵進入軸承滾道,防油型為接觸式油封,能有效的阻止軸承內的潤滑脂外溢。 單列深溝球軸承類型代號為6,雙列深溝球軸承代號為4。其結構簡單,使用方便,是生產普遍,應用廣泛的一類軸承,深溝球軸承主要承受徑向載荷,也可同時承受徑向載荷和軸向載荷。當其僅承受徑向載荷時,接觸角為零。當深溝球軸承具有較大的徑向游隙時,具有角接觸軸承的性能,可承受較大的軸向載荷 ,深溝球軸承的摩擦系數很小,極限轉速也很高。 深溝球軸承結構簡單,與別的類型相比易于達到較高的制造精度,所以便于成系列大批量生產, 制造成本也較低, 使用極為普遍。深溝球軸承除基本型外, 還有各種變型結構,如:帶防塵蓋的深溝球軸承,帶橡膠密封圈的深溝球軸承,有止動槽的深溝球軸承,有裝球缺口的大載荷容量的深溝球軸承,雙列深溝球軸承。 深溝球軸承是具有代表性的滾動軸承,用途廣泛,適用于高轉速甚至極高轉速的運行,而且非常耐用,無需經常維護。該類軸承摩擦系數小,極限轉速高,制造成本低,易達到較高制造精度。尺寸范圍與形式變化多樣,應用在精密儀表、低噪音電機、汽車、摩托車及一般機械等行業,是機械工業中使用較為廣泛的一類軸承。 |


